Loading...
 

Keyless Entry and Start System (KESSY)

Table of contents:

Introduction

This retrofit is only recommended for people who are experienced in automotive electrics and already have retrofit experience. Think carefully if you really want to do this - it was by far the most difficult and time consuming of all the retrofits done by the author so far.

  • Also the information provided here may not be valid for every and any car model, there might be slight differences. Make sure to recheck the wiring diagrams and all part numbers for the car to be retrofitted.
  •  The reader needs to know what KESSY is and understand its function. Before start retrofitting, make sure to read VW SSP 493 to get an in-depth understanding of how KESSY actually works.
  • KESSY does not replace the ZV, but extends it. So basically this retrofit is installed "additionally" into the car. This has the advantage that KESSY can be retrofitted slowly (because this is not done quickly in a day) without the ZV or other systems to be affected. The car remains fully functional during the retrofit. Important for people who do not have a second car available.
  • The retrofit requires complex software adjustments (not just coding), also there must be wired a lot. The system connects to the immobilizer, so only with VCDS you don't get far here. Other tools are needed. Since they are expensive, it's recommended to ask around if someone can lend them.
  • This article only describes the hardware and software part of the retrofit. For the mechanical information (how to change door handles to KESSY door handles, mounting locations of all the kessy antennas, etc.), refer to ELSA. It's well described there.
  • Before starting the retrofit, I recommend reading this entirely. Also, make sure that the car accepts the coding of the involved control units mentioned below. It might be possible that, for example the BCM, doesnt allow the coding "KESSY installed", which would mean that it has to be replaced by a newer one.
  • If the batteries in the KESSY key are empty, the car can no longer be started. There is an "emergency start" function for this. To avoid these and other problems that can occur at some time, I would check whether the car’s manual already contains the chapter „KESSY". If not, it’s recommended to buy a newer one that contains this chapter.
  • Legal: If KESSY was offered as an optional extra for your car at the time, but your car was not ordered with it, you can retrofit it completely legally.

System differences

1. KESSY-System with KSS-SG (Klemmensteuergerät) and with EZS (Elektronisches Zündschloss)

Installed for example in:

  • Passat 2011>

2. KESSY-System without KSS-SG (Klemmensteuergerät) and without EZS (Elektronisches Zündschloss)

Installed for example in:

  • VW Beetle (auch Cabrio) 2012 bis 2019
  • VW Eos 2011 bis 2016
  • VW Golf 2009 bis 2013
  • VW Golf 6 Plus 2009 bis 2014
  • VW Golf 6 Variant 2010 bis 2015
  • VW Jetta 2011 bis 2018
  • VW Passat 2013 bis 2015
  • VW Scirocco 2009 bis 2018
  • VW Sharan 2011 bis heute
  • VW Tiguan 2008 bis 2018

By now, this article describes only the second system.

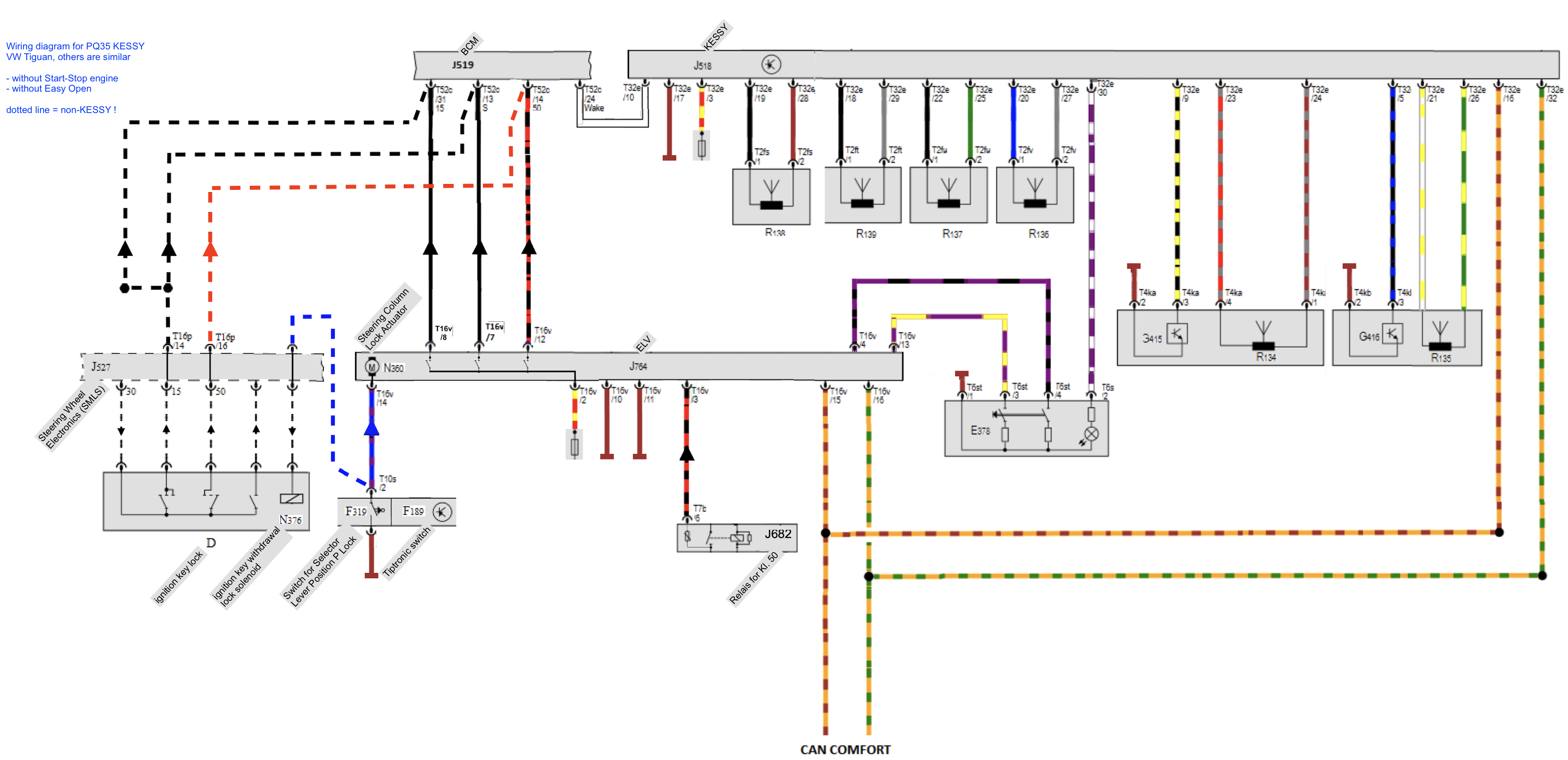
Retrofit wiring diagram

This wiring diagram shows only those parts that are useful to understand the KESSY system and/or are required to be installed/changed in order to retrofit KESSY. Pasted Graphic 18    

J527 (SMLS, steering wheel electronics)

It appears that in this scope, the J527 seems to simply route the wires from D (ignition lock) to the BCM. KESSY cars seem to use the same SMLS, but without the connector for D (ignition lock) - because it isn't needed.

D (ignition lock)

Non-KESSY cars have this ignition lock. In this scope, it’s responsible for the following 3 functions:

  1. Switches Kl. S (radio) and Kl. 15 (ignition, also called ACC for accessories).
  2. Triggers Kl. 50 (engine starter).
  3. Only for automatic transmissions: Triggers N376 (magnet for ignition key removal lock), that allows to only remove the key when the gear selector is set to „P“.

In KESSY cars this is no longer required - it’s replaced by J764 (ELV) and E378 (start button).

F189 (gear selector) - only for automatic transmissions

The gear selector includes the F319 (switch for shifter locked in P).

Pin 2: This is an output pin. It’s active when the shifter is locked in P (parking) position.

With KESSY:  Tells the ELV to extend or retract N360 (ELV’s locking bolt).

Without KESSY: Tells the J527 (SMLS, steering wheel electronics) to active or deactivate N376 (magnet for ignition key removal lock)

J518 (KESSY control unit)

This ECU basically only controls the KESSY antennas. It’s not part of the immobilizer.

Pin 3: Kl. 30a, to be fused with 10A. The fuse number varies, check wiring diagram of car.

Pin 17: Ground

Other pins: self-explainatory

When installing this as a used part, the fault code „65826 - no basic adaption (B2010 00 009)“ will be stored. This basically means that the ECU detected by the VIN that it has been installed in another car and therefor needs to be newly learned (for more info see Audi SSP 294). It can easily be done with the handheld tool „xHorse iScanCar MM-007“:

Start Menu > Parameter refresh > Device parameter file > 05 KESSY > PQ_Kessy_data > 

. The tool offers the following datasets for this specific selection (as of 18.09.2021):

  • Audi A1 (multiple)
  • Audi Q3 (multiple)
  • Beetle (multiple)
  • BG744 (multiple)
  • Eos (multiple)
  • Golf 6 (multiple)
  • Golf 6 Plus (multiple)
  • NCS (multiple)
  • New Beetle (multiple)
  • New Bora (multiple)
  • New Passat VIP
  • NMS (multiple)
  • Octavia (multiple)
  • Scirocco (multiple)
  • Sharan  (multiple)
  • Superb  (multiple)
  • Tiguan (multiple)
  • TouranGP
  • VW313 (multiple)
  • XL1 (multiple)
  • Yeti (multiple)

Here "multiple" means, that there are more than 1 data sets available. Here at the example of "Golf 6 (multiple)":

  • GOLF6_LL_NT_XX_YY
  • GOLF6_LL_VA_XX_YY
  • GOLF6_RL_NT_XX_YY
  • GOLF6_RL_VA_XX_YY

Because the datasets origin from ODIS, not even the manufacturer (xHorse) itself knows what the dataset descriptions mean. It’s expected that „LL“ is german for LHD (left hand drive) and RL is german for RHD (right hand drive). It's important to choose the suitable data set, because it may hold the exact positions of the KESSY antennas (and more), which is important for the system to function well.

This is what writing the data looks like:

Bildschirmfoto 2021 08 20 Um 14.12.53

It has also been reported that the VIN can also be changed via directly connecting to the 9S12 microcontroller. But this would still require the upload of the correct data set for the specific vehicle. Also there's no more info on this topic known.

J764 (ELV)

Part numbers: 5K0 905 861 A…B…C…D

This is installed only in KESSY cars and adds the these functions, which were before generated by D (ignition lock):

  1. Switches Kl. S (radio) and Kl. 15 (ignition, also called ACC for accessories).
  2. Triggers Kl. 50 (engine starter).
  3. Locking the steering column when no valid KESSY key is found. This prevents the steering wheel from being turned.

Pin 2: Kl. 30a, to be fused with 10A.

Pin 8: This is an output pin. When the driver pushed the Start-Button shortly, it activates Kl. 15 (ignition) by switching from 0V to 12V. For this, there must be a positive message from J518 that a KESSY key is inside the car and a positive message from the Immobilizer ECU that this key is authorized.

Pin 7: Acts the same as Pin 8. KESSY seems to always switch them on and off together.

Pin 12: This is an output pin. When the driver pushed the Start-Button for a longer time, it activates Kl. 50 (engine starter) by switching from 0V to 12V.

Pin 3: This is an input pin. It’s connected to the feedback contact of J682 (relais for Kl. 50, engine starter).

Pin 10: Ground

Pin 11: Ground

Pin 14: This is an input pin. Only for automatic transmission cars. Connected to F319 (Switch for shifter locked in P), which is located inside F189 (shifter). When active, extends or retracts N360 (ELV’s locking bolt).

The ELV is part of the Immobilizer. It needs to be immo-adapted, otherwise:

  • N360 (locking bolt) will not retract
  • pushing the Start button short time will not activate Kl.S and Kl.15
  • pushing the Start button long time will not activate Kl.50

Obtaining a ELV

That’s the tricky part. Ordering a new ELV for a non-KESSY car isn’t possible, because the dealer will ask for the VIN. When trying to place the order, he will be unable to proceed because his system will reject the order of a ELV for a non-KESSY car. So the only way is to adapt a used ELV. So, obtaining a used ELV isn’t that easy - there are two things you want to keep in mind:

(1) The used ELV must be of the same car brand than the car it’s about to be installed in. Beginning with immo 4th generation, all immo components must be from the same car brand (i.e. VW or Skoda or Seat). This information is hardcoded and can’t be changed. Adapting used components across different car brands isn’t possible. And if you do so by accident, you’ll have a real hard time finding that out - because there is no fault code stored for this - it just won’t work. So if retrofitting in a VW, make absolutely sure that the used ELV is also from a VW.

(2) To be able to adapt the ELV, the so-called immo PIN (5-digit number) and the CS of the used ELV is required. Both can be easily read with immo tools like xHorse VVDI2 or similar. The bad thing: They can’t be read from the ELV, but from the cluster or the engine control unit (requires a working key - that means with a working transponder):

Pasted Graphic 14

That leaves two known options to obtain a ELV with PIN and CS (which are required to adapt it):

Option 1: Buying a ELV, a cluster and a working key from the same donor car. Connect the cluster and the ELV - on the bench or simply install it in a car - and use VVDI2 or a similar tool to read the immo PIN and CS from the cluster.

Option 2: Find a person who has KESSY (and thus, the required ELV) from factory. Use VVDI2 or a similar tool to read the immo PIN and CS from his cluster. Ask him to order a new ELV from the dealer, it should come pre-configured from factory. Use this newly ordered ELV for your retrofit.

Adapting the ELV

After having obtained the immo PIN and CS of the donor ELV, it can be adapted to the car using VVDI2 (maybe other tools too).

Also, you’ll need the immo data (VIN, Power, CS, PIN) of the car that KESSY is being retrofitted to. That’s the immo data that must be written to the ELV. For this, simply connect VVDI2, VAGtacho or similar (VCDS will not work) and read the immo data. Save it for later.

 

Step 1: Install the ELV in the car, with VVDI2 go to „Adaption“ -> „Electrical Steering Column Lock (PQ35)“ function and enter the donor immo PIN and CS. Press „Read“ to get access.

Adapt Unit Module

Step 2: If successful, you’ll now be able to enter the immo data (VIN, Power, CS, PIN) of the car KESSY is being retrofitted to and press „Write“.

3. Then The VIN Data And Power Class Is Displayed

If it says „Completed“ in the status bar, the ELV has been adapted.

Retrofitting tip

It’s possible to get KESSY running without using the ELV at all. This might come in handy when retrofitting, because you might wish to install everything else first. Remeber, a sucessfully learned KESSY key is required. If you wish to install the ELV later, you need to „simulate“ it’s functions: Generating Kl. 15, Kl. S and Kl. 50. This can be done by installing one rocker switch and one momentary switch instead of the ELV:

Bildschirmfoto 2021 08 20 Um 14.26.55

J682 (Relais for Kl. 50)

This is the relais that activates the engine starter. It’s installed in every car, regardless of KESSY.

Pin 6: In non-KESSY cars, this is a 4-pins relais (without feedback contact) and this pin is therefor not wired. In KESSY cars it has 5 Pins (with feedback contact).

Key(s)

The normal keys only have a HF (high frequency, MHz) antenna for sending the central locking commands to the BCM. KESSY keys additionally have a LF (low frequency, 125 kHz) antenna for the only purpose of receiving KESSY signals from the antennas connected to the KESSY ECU.

S493 058

For this reason, new KESSY-capable keys are required. They can’t be ordered from the car manufacturer, because he will not sell KESSY keys for a car that is in his systems a non-KESSY. But any car locksmith will do it. The key blade can simply be swapped. The new kessy KEYS need then to be learned to the car.

Immo control unit

Note: In most PQ models the immo control unit is integrated in the instrument cluster.

Two things need to be changed:

1. The Coding

Using VCDS or a similar tool, the following changes in the Coding must be made:

KESSY installed = Yes

ELV installed = Yes

 

2. The Config

Only reachable using a special tool like VVDI2, VAGtacho, etc. the so called „immo config“ must also be adjusted.
Pasted Graphic 12

This data is not well documented. It is evident that this byte need to be changed to „E1“. More info on this topic would be highly appreciated.

BCM (J519)

The BCM must be coded as well, so it starts redirecting the KESSY data it receives from the key(s) to the KESSY ecu via the CAN bus. This must be coded:

KESSY installed = Yes

Gateway

The ELV and the KESSY ecu must be activated in the installation list.